Web Analytics Made Easy - Statcounter
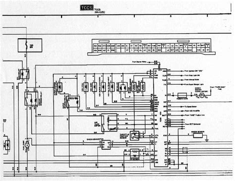
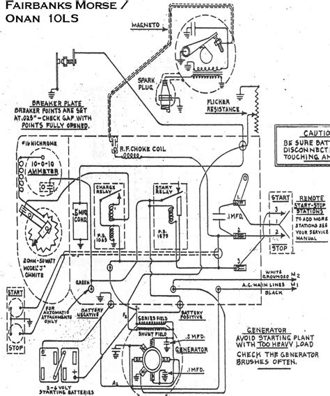
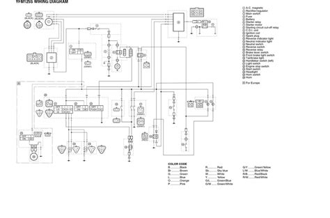
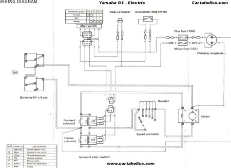
T103 Wiring Diagram: A Step-by-Step Guide for Technicians

T103 Wiring Diagram: A Step-by-Step Guide for Technicians

T103 Wiring Diagram: A Step-by-Step Guide for Technicians A visual guide to wiring diagram of t103 timer